Электрический котел Эван Next Plus - 3
- Описание
- Характеристики
- Сертификаты и
инструкции - О производителе
- Отзывы
Эван Next Plus - 3 электрический котел, который предназначен для отопления помещений площадью до 30 м², а при установке внешнего бойлера сможет приготовить горячую воду. Котёл прост и понятен в управлении благодаря ЖК-дисплею и поворотной ручке.
1. Мощность котла: 3 кВт.
2. Без насоса и расширительного бака.
3. Электрическое подключение: 220 или 380 В.
4. Управление котлом: релейный тип.
5. Котёл оснащён цифровым дисплеем температуры.
6. Блок тэнов из нержавеющей стали, мокрый тип.
7. Регулировка температуры отопления: 10-85 °С.
8. Регулировка горячей воды: 40 - 75 °С.
9. Максимальное давление в системе: до 4 бар.
10. КПД: 99%. Теплообменник теплоизолирован.
11. Автоматическое управление мощностью: 3 ступени.
12. Защита от перегрева: аварийный датчик.
13. Высокая точность регулирования температуры.
14. Функция ограничения мощности котла по мощности.
15. Возможность подключения внешнего насоса отопления.
16. Возможность уличной регулировки работы котла.
17. Возможность подключения комнатного термостата.
18. Возможность использовать незамерзающие жидкости.
19. Управление по OpenTherm или Modbus RTU.
20. Резьба патрубков вход/выход наружная G 3/4.
21. Гарантия производителя: 24 месяца.
22. Котёл Эван Next Plus - 3 сделан в России.
Купить Эван Next Plus - 3 электрический котёл, можно в магазине tm24.by, консультация, доставка, монтаж, гарантия и сервис. Приобретая котёл Эван Next Plus - 3 по выгодной цене в нашем магазине, Вы получаете не только продукцию высокого качества, но и гарантию того, что котёл сертифицирован и имеет всю необходимую документацию для введения в эксплуатацию.
| Артикул: | - |
| Наименование: | Котёл |
| Принцип работы: | Релейный |
| Мощность: | 3 кВт |
| Отапливаемая площадь: | До 30 м² |
| Сеть 220 В: | Да |
| Сеть 380 В: | Да |
| Комплектность: | Пустой |
| Количество ступеней мощности: | 3 |
| Теплообменник: | Чёрная сталь |
| Регулирование температуры: | 10 - 85 °С |
| Управление: | Электронное |
| Автоматическая модуляция мощности: | Да |
| Ротация тэнов: | Да |
| Подключение бойлера: | Да |
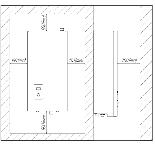
| Габаритные размеры(ВхШхГ): | 670 х 330 х 220 мм |
| Вес: | 18.5 кг |
| Гарантия: | 24 месяца с момента продажи |
| Серия котлов: | Эван Next Plus |
| Артикул производителя: | 14533 |
| Страна производитель: | Россия |
| Производитель: | АО "Эван" |
| Импортёр: | ООО "АвтоТрейдИнвест" |
Уважаемые Покупатели. При приобретении аналогичной продукции в другом магазине, требуйте у продавца документы, подтверждающие качество и безопасность реализуемой продукции, тем самым Вы предотвратите возникновение угрозы Вашему здоровью и имуществу. Так же сможете проверить страну происхождения и технические характеристики товара.
Инструкция по монтажу Эван Next Plus.
Руководство по эксплуатации Эван Next Plus.

Вся информация, представленная на сайте, относительно технических характеристик, комплектаций, свойств, функций продукции, условий эксплуатации, а также фото и любых других графических материалов, носит информационно-справочный характер и ни в каких случаях не является публичной офертой. Производитель (магазин) оставляет за собой право вносить изменения во внешний вид, комплектацию, условия эксплуатации, функции и технические характеристики продукции, без предварительного уведомления покупателя. Товар под заказ. Перед покупкой узнайте интересующую Вас информацию.

АО "ЭВАН" работает на инженерном рынке с 1996 года. Компания представляет на российском рынке самый широкий ассортимент теплового оборудования — от электроотопительных и твердотопливных котлов и проточных водонагревателей до высокотехнологичных тепловых насосов. В основе бизнеса - использование передовых технологий производства, управления и продаж.
С 1 января 2008 года ЗАО «ЭВАН» входит в состав подразделения NIBE Energy System, одного из трех отделений международного концерна NIBE Industrial AB. Концерн NIBE - один из ведущих производителей теплового оборудования в Европе, он объединяет более 55 компаний, выпускающих продукцию неизменно высокого качества.
Высокая оценка работы ЗАО "ЭВАН" - это 50 дипломов, почетных грамот и других наград на специализированных выставках в России и за рубежом. С 2002 года ЗАО "ЭВАН" является действительным членом Ассоциации инженеров по отоплению, вентиляции, кондиционированию воздуха, теплоснабжения и строительной теплофизике. Сеть партнеров и представителей работает во всех регионах России и за ее пределами - в странах СНГ - и насчитывает более 110 организаций.
Вы должны авторизоваться, чтобы оставлять комментарии.


Комментарии (4)